सभी उत्पाद
-
विभेदक दबाव नापने का यंत्र
-
डिजिटल दबाव नापने का यंत्र
-
स्टेनलेस स्टील दबाव नापने का यंत्र
-
प्रेसिजन दबाव ट्रांसमीटर
-
निर्देशयोग्य तर्क नियंत्रक
-
फ्लोट स्तर स्विच
-
वायवीय वाल्व पोजिशनर
-
तापमान ट्रांसमीटर सेंसर
-
हार्ट फील्ड कम्युनिकेटर
-
सोलेनोइड वाल्व
-
नियंत्रक वाल्व
-
उच्च सटीकता प्रवाह मीटर
-
पनडुब्बी पानी पंप
-
दबाव ट्रांसमीटर कई गुना
-
अल्ट्रासोनिक स्तर मीटर
-
वोल्टेज करंट पावर मीटर
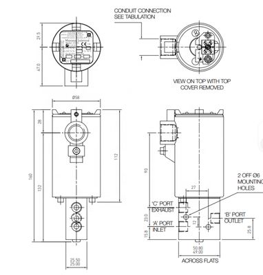
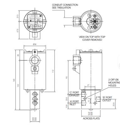
गर्म बिक्री मूल NORGREN Y013AA1H1BS072 NPT पोर्टेड वाल्व कम कीमत पर स्टॉक में
उत्पाद विवरण
| गारंटी | 1 वर्ष | एकल सकल भार | 5.000 किग्रा |
|---|---|---|---|
| परिचालन दाब | 0...174 पीएसआई | सामग्री | स्टेनलेस स्टील |
| प्रमुखता देना | NORGREN Y013AA1H1BS072 एनपीटी वाल्व,एनपीटी पोर्ट कंट्रोल वाल्व,NORGREN नियंत्रण वाल्व वारंटी के साथ |
||
उत्पाद विवरण
प्रमुख विशेषताएं
पैकेजिंग और वितरण
अनुशंसित उत्पाद


